PJG工法
PJG工法 / PJG-L工法
「PJG工法」「PJG-L工法」は、六角ロッドを使用することにより先端モニターに取り付けた噴射ノズルの方向を確認する事ができ、PJG専用マシンの回転角度を調整することで、任意の角度の扇柱状から円柱状の改良体を造成する事ができます。また、改良速度を調整することで、改良径の調整も可能であるため、改良が必要な範囲に応じた無駄のない経済的な施工が可能です。
PJG工法、PJG-L工法では、噴射ノズルが地中にあっても方向が確認できるので、必要な部分だけ改良出来るように、造成箇所の改良角度の調節ができます。
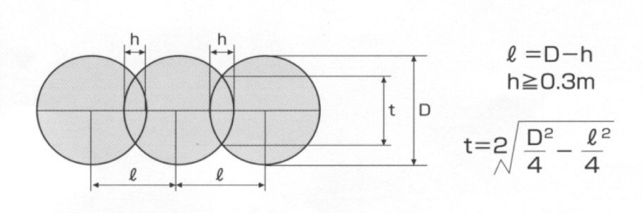
有効径内に施工ピッチを設定すれば、超高圧ジェットで隣接柱体ならびに連続地中壁面を洗浄しながら固結するため、非常に密着性に優れています。また、狭い場所でもコンパクトな設備、機械で施工ができます。
施工断面積を任意に設定できるので、円柱状のジェットグラウト工法と比較すると、無駄な部分を排除でき、造成時間が大幅に短縮できます。
使用する硬化材は安価で無公害なセメントが主体です。施工断面積を減少させて硬化材使用量の減少を図ることができるので、結果として排泥量も減少でき、環境保全性に優れています。
超高圧ジェットエネルギーを利用して、確実に地盤を切削しその切削土砂を混合填充する形で造成する方法なので、現場技術者の個人差による影響がほとんど無く施工管理が容易になります。
PJG工法、PJG-L工法では、噴射ノズルが地中にあっても方向が確認できるので、必要な部分だけ改良出来るように、造成箇所の改良角度の調節ができます。
| 深礎土留壁の補強 シールド工、推進管の線路防護 立坑の発進到達鏡部防護等 | 安全率Fs 1.0〜1.5 |
| 立坑の連続地中壁の欠損部 立坑の底盤部等 | 安全率Fs 2.0 |
| 半永久的な目的等 | 安全率Fs 3.0 |
| 土留壁 | ![]() |
| 止水強化 土留壁 | ![]() |
| 底盤部改良 地中連続壁 | ![]() |
| PJG-1号 | |
| セメント | 760Kg |
| 混和剤A | 12Kg |
| 水 | 749Kg |
| PJG-2号 | |
| セメント | 600Kg |
| 混和剤A | 9Kg |
| 水 | 802Kg |
| PJG-3号 | |
| セメント | 760Kg |
| 混和剤B | 16Kg |
| 水 | 746Kg |
| PJG-4号 | |
| セメント | 600Kg |
| 混和剤B | 12Kg |
| 水 | 800Kg |
| PJG-5号 | |
| 専用固化材 | 760Kg |
| 混和剤A | 16Kg |
| 水 | 737Kg |
| 硬化材 | PG-1号、3号、5号 | PG-2号、4号 | ||
| 土質 | 砂質土 | 粘性土 | 砂質土 | 粘性土 |
| 一軸圧縮強度 | 3 | 1 | 2 | 0.7 |
| 粘着力 C | 0.5 | 0.3 | 0.4 | 0.2 |
| 付着力 f | 1/3C | 1/3C | ||
| 曲げ引張強度 | 2/3C | 2/3C | ||
| 弾性係数E50 | 300 | 100 | 200 | 70 |
| 工法 | PJG工法 | PJG-L工法 |
| 吐出仕様 | 30MPa-100L/分 | 40MPa-200L/分 |
| 有効径 | φ1.0m~φ2.6m | φ2.0m~3.6m |
| 改良強度 (高強度型) | 砂質土:3MN/㎡ 粘性土:1MN/㎡ | |
| 土質(N値) | 有効径 D(mm) | 引上げ速度 ν(分/m) | 回転数 (rpm) | 噴射仕様 | |
| 砂質土 | 粘性土 | ||||
| N≦30 | N≦1 | 1000 | 5.5 | 3.6 ~ 14.6 |
超高圧硬化材 噴射圧力 30MPa 吐出量 0.1㎥/分 圧縮空気 吐出圧力 0.6MPa以上 吐出量 1.5㎥/分 以上 |
| 1200 | 8.0 | 2.5 ~ 10.0 | |||
| 1400 | 9.8 | 2.0 ~ 8.2 | |||
| 1600 | 11.5 | 1.7 ~ 7.0 | |||
| 1800 | 14.6 | 1.3 ~ 5.5 | |||
| 2000 | 18.0 | 1.1 ~ 4.5 | |||
| 2200 | 21.7 | 0.9 ~ 3.7 | |||
| 2400 | 24.0 | 0.8 ~ 3.4 | |||
| 2600 | 28.2 | 0.7 ~ 2.9 | |||
| 30<N≦60 | 1≦N≦3 | 1000 | 6.3 | 3.1 ~ 12.7 | |
| 1200 | 9.1 | 2.1 ~ 8.8 | |||
| 1400 | 11.1 | 1.8 ~ 7.3 | |||
| 1600 | 13.1 | 1.5 ~ 6.2 | |||
| 1800 | 16.6 | 1.2 ~ 4.9 | |||
| 2000 | 20.5 | 0.9 ~ 4.0 | |||
| 2200 | 23.0 | 0.8 ~ 3.5 | |||
| 2400 | 27.2 | 0.7 ~ 3.0 | |||
| 60<N≦90 | 3<N≦5 | 1000 | 7.9 | 2.5 ~ 10.2 | |
| 1200 | 11.4 | 1.7 ~ 7.1 | |||
| 1400 | 13.9 | 1.4 ~ 5.8 | |||
| 1600 | 16.3 | 1.2 ~ 5.0 | |||
| 1800 | 20.6 | 0.9 ~ 3.9 | |||
| 2000 | 25.5 | 0.7 ~ 3.2 | |||
| 2200 | 28.5 | 0.7 ~ 2.9 | |||
| 90<N≦120 | 5<N≦7 | 1000 | 8.7 | 2.2 ~ 9.2 | |
| 1200 | 12.5 | 1.6 ~ 6.4 | |||
| 1400 | 15.3 | 1.3 ~ 5.3 | |||
| 1600 | 17.9 | 1.1 ~ 4.5 | |||
| 1800 | 22.7 | 0.8 ~ 3.6 | |||
| 2000 | 28.0 | 0.7 ~ 2.9 | |||
| 土質(N値) | 有効径 D(mm) | 引上げ速度 ν(分/m) | 回転数 (rpm/分) | 噴射仕様 | |
| 砂質土 | 粘性土 | ||||
| N≦30 | N<3 | 2000 | 6.8 | 2.9 ~ 11.8 |
超高圧硬化材 噴射圧力 40MPa 吐出量 0.2㎥/分 圧縮空気 吐出圧力 0.7MPa以上 吐出量 3㎥/分 以上 |
| 2200 | 8.2 | 2.4 ~ 9.8 | |||
| 2400 | 9.8 | 2.0 ~ 8.2 | |||
| 2600 | 11.5 | 1.7 ~ 7.0 | |||
| 2800 | 13.3 | 1.5 ~ 6.1 | |||
| 3000 | 15.2 | 1.3 ~ 5.3 | |||
| 3200 | 17.3 | 1.1 ~ 4.7 | |||
| 3400 | 19.6 | 1.0 ~ 4.1 | |||
| 3600 | 21.9 | 0.9 ~ 3.7 | |||
| 30<N≦60 | 3≦N≦5 | 2000 | 7.5 | 2.6 ~ 10.7 | |
| 2200 | 9.1 | 2.1 ~ 8.8 | |||
| 2400 | 10.8 | 1.8 ~ 7.5 | |||
| 2600 | 12.7 | 1.5 ~ 6.3 | |||
| 2800 | 14.7 | 1.3 ~ 5.5 | |||
| 3000 | 16.8 | 1.1 ~ 4.8 | |||
| 3200 | 19.1 | 1.0 ~ 4.2 | |||
| 3400 | 21.6 | 0.9 ~ 3.8 | |||
| 3600 | 24.1 | 0.8 ~ 3.4 | |||
| 60<N≦100 | 5<N≦7 | 2000 | 8.5 | 2.3 ~ 9.5 | |
| 2200 | 10.3 | 1.9 ~ 7.8 | |||
| 2400 | 12.3 | 1.6 ~ 6.6 | |||
| 2600 | 14.4 | 1.3 ~ 5.6 | |||
| 2800 | 16.7 | 1.1 ~ 4.8 | |||
| 3000 | 19.0 | 1.0 ~ 4.3 | |||
| 3200 | 21.7 | 0.9 ~ 3.7 | |||
| 100<N≦150 | 7<N≦9 | 2000 | 10.2 | 1.9 ~ 7.9 | |
| 2200 | 12.3 | 1.6 ~ 6.6 | |||
| 2400 | 14.7 | 1.3 ~ 5.5 | |||
| 2600 | 17.3 | 1.1 ~ 4.7 | |||
| 2800 | 20.0 | 1.0 ~ 4.0 | |||
| 土質(N値) | 有効径 D(mm) | 引上げ速度 ν(分/m) | 回転数 (rpm/分) | 噴射仕様 | |
| 砂質土 | 粘性土 | ||||
| N≦25 | N<2 | φ1600 | 3.3 | 6.0 ~ 12.2 |
超高圧硬化材 噴射圧力 40MPa 吐出量 0.2㎥/分 圧縮空気 吐出圧力 0.7MPa以上 吐出量 3㎥/分 以上 |
| φ1700 | 3.5 | 5.7 ~ 11.5 | |||
| φ1800 | 3.9 | 5.1 ~ 11.3 | |||
| φ1900 | 4.3 | 4.6 ~ 9.4 | |||
| φ2000 | 4.8 | 4.1 ~ 8.4 | |||
| φ2100 | 5.2 | 3.8 ~ 7.7 | |||
| φ2200 | 5.7 | 3.5 ~ 7.1 | |||
| φ2300 | 6.3 | 3.1 ~ 6.4 | |||
| φ2400 | 6.8 | 2.9 ~ 5.9 | |||
| φ2500 | 7.4 | 2.7 ~ 5.5 | |||
| φ2600 | 8.0 | 2.5 ~ 5.0 | |||
| φ2700 | 8.6 | 2.3 ~ 4.7 | |||
| φ2800 | 9.3 | 2.1 ~ 4.4 | |||
| φ2900 | 10.0 | 2.0 ~ 4.0 | |||
| φ3000 | 10.6 | 1.8 ~ 3.8 | |||
| φ3100 | 11.4 | 1.7 ~ 3.6 | |||
| φ3200 | 12.1 | 1.6 ~ 3.4 | |||
| φ3300 | 12.9 | 1.5 ~ 3.2 | |||
| φ3400 | 13.7 | 1.4 ~ 3.0 | |||
| φ3500 | 14.5 | 1.3 ~ 2.8 | |||
| φ3600 | 15.3 | 1.3 ~ 2.7 | |||
| φ3700 | 16.2 | 1.2 ~ 2.5 | |||
| φ3800 | 17.1 | 1.1 ~ 2.4 | |||
| φ3900 | 18.0 | 1.1 ~ 2.3 | |||
| φ4000 | 18.9 | 1.0 ~ 2.2 | |||
| 番号 | 機械名 | 規格・性能 | 台数 |
| ① | セメントサイロ | たて型 30t | 1 |
| ② | グラウトミキサー | TMP-1500-APK | 1 |
| ③ | 補助加圧ポンプ | NSK-38 | 1 |
| ④ | モルタル流量計 | MPF-001 | 1 |
| ⑤ | 超高圧ポンプ | GS-200 | 1 |
| ⑥ | 発電機 | 250KVA | 1 |
| ⑦ | エアーコンプレッサー | 190HP | 1 |
| ⑧ | 発電機 | 150KVA | 1 |
| ⑨ | 水タンク | 20m3 | 1 |
| ⑩ | 泥水タンク | 20m3 | 1 |
| ⑪ | 土砂タンク | 5m3 | 1 |
| ⑫ | マッドスクリーン | TM-1000 | 1 |
| ⑬ | 削孔ポンプ | MG-25TV | 1 |
| ⑭ | 発電機 | 100KVA | 1 |
| ⑮ | バキューム車 | 大型 | – |
| ⑯ | セメントローリー車 | 大型 | – |
| ⑱ | 特殊混和材置き場 |






計画改良体の下端+モニター余長まで削孔を行う
※必要に応じて削孔完了後、ケーシングの
鉛直精度を確認(孔内傾斜計を使用)
二重管ロッド建て込み後、ケーシングを引抜く
テスト噴射により切削圧力・吐出量を確認する
ロッド回転速度、ロッド引上げ時間の確認
排泥排出量の確認
ロッド回転速度、ロッド引上げ時間の確認
片付け、次孔にPJG専用マシンを移動

先端造成装置

標準機: L2350×W1850×H2500 3250kg
小型機: L1660×W800×H1320 800kg